Somos especialistas em: Civil Mecânica Industrial Tubulação Estruturas Metálicas Elétrica Automação
Fluxogramas de engenharia

A importância dos fluxogramas de engenharia

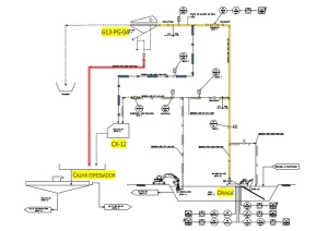
Os fluxogramas de engenharia consistem em diagramas que descrevem de forma visual e detalhada os passos e equipamentos envolvidos nos processos industriais. Essas representações gráficas são fundamentais para a compreensão, análise e otimização das operações produtivas em ambientes industriais.

Vantagens da Utilização de fluxogramas de engenharia

A utilização de fluxogramas de engenharia traz inúmeros benefícios para as empresas do ramo industrial. Entre as vantagens mais significativas, destacam-se a maior eficiência na identificação de gargalos, a redução de desperdícios, a otimização de processos, o aumento da produtividade e a melhoria na gestão dos recursos.

Aplicação dos fluxogramas de engenharia na Indústria

Na indústria, os fluxogramas de engenharia são amplamente utilizados em diferentes setores, como químico, petroquímico, alimentício, automobilístico, entre outros. Eles auxiliam na padronização de processos, no treinamento de colaboradores, na identificação de falhas e na tomada de decisões estratégicas para o crescimento sustentável das organizações.

COPEL Engenharia: Especialista em Projetos Industriais e fluxogramas de engenharia

A COPEL Engenharia é uma empresa renomada no mercado, com mais de duas décadas de experiência na realização de projetos de engenharia industrial. Com profissionais altamente qualificados e uma vasta expertise em diversas áreas, a empresa se destaca pela excelência na execução de serviços em disciplinas como elétrica, mecânica, estrutura metálica, civil, tubulação e processo.

Na busca pela satisfação total de seus clientes, a COPEL Engenharia se compromete a superar expectativas em relação à qualidade dos projetos e ao cumprimento dos prazos estabelecidos. A constante atualização tecnológica da empresa permite oferecer soluções inovadoras e eficientes para atender às demandas do mercado de forma personalizada e eficaz.

Entre em Contato e Transforme seu Projeto com a COPEL Engenharia

Se você busca uma empresa especializada em projetos de engenharia industrial, conte com a expertise e a dedicação da COPEL Engenharia. Transforme seus desafios em soluções eficazes e inovadoras, garantindo o sucesso e a excelência em seus empreendimentos. Entre em contato conosco e descubra como podemos contribuir para o crescimento sustentável de sua empresa!

Para saber mais sobre Fluxogramas de engenharia

Ligue para 31 3938-1700 ou clique aqui e entre em contato por email.

Páginas relacionadas

Regiões onde a COPEL atende Fluxogramas de engenharia

AclimaçãoBela VistaBom RetiroBom RetiroCambuciCentroConsolação
HigienópolisGlicérioLiberdadeLuzPariRepúblicaSanta Cecília
Santa EfigêniaVila Buarque
BrasilândiaCachoeirinhaCachoeirinhaImirimJaçanãJardim São PauloLauzane Paulista
MandaquiSantanaTremembéTucuruviVila GuilhermeVila GustavoVila Gustavo
Vila Medeiros
Água BrancaBairro do LimãoBarra FundaAlto da LapaAlto de PinheirosButantãFreguesia do Ó
JaguaréJaraguáJardim BonfiglioliLapaPacaembúPerdizesPerús
PinheirosPiritubaRaposo TavaresRio PequenoSão DomingosSumaréVila Leopoldina
Vila Sonia
AeroportoÁgua FundaBrooklinCampo BeloCampo GrandeCampo LimpoCapão Redondo
Cidade AdemarCidade DutraCidade JardimGrajaúIbirapueraInterlagosIpiranga
Itaim BibiJabaquaraJardim ÂngelaJardim AméricaJardim EuropaJardim PaulistaJardim Paulistano
Jardim São LuizJardinsJardinsM'Boi MirimMoemaMorumbiParelheiros
PedreiraSacomãSanto AmaroSaúdeSocorroVila AndradeVila Mariana
Água RasaAnália FrancoAricanduvaArtur AlvimBelémCidade PatriarcaCidade Tiradentes
Engenheiro GoulartErmelino MatarazzoGuianazesItaim PaulistaItaqueraJardim IguatemiJosé Bonifácio
MoócaParque do CarmoParque São LucasParque São RafaelPenhaPonte RasaSão Mateus
São Miguel PaulistaSapopembaTatuapéVila CarrãoVila CuruçáVila EsperançaVila Formosa
Vila MatildeVila Prudente
São Caetano do sulSão Bernardo do CampoSanto AndréDiademaGuarulhosSuzanoRibeirão Pires
MauáEmbuEmbu GuaçúEmbu das ArtesItapecerica da SerraOsascoBarueri
JandiraCotiaItapeviSantana de ParnaíbaCaieriasFranco da RochaTaboão da Serra
CajamarArujáAlphavilleMairiporãMairiporãABCD
BertiogaCananéiaCaraguatatubaCubatãoGuarujáIlha CompridaIguape
IlhabelaItanhaémMongaguáRiviera de São LourençoSantosSão VicentePraia Grande
UbatubaSão SebastiãoPeruíbe
Olá, como podemos te ajudar?