Conceito e Importância do projeto de balanço de massas industriais em mg
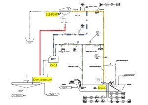
A realização de um projeto de balanço de massas industriais em mg é fundamental para indústrias que visam otimizar seus processos produtivos, garantindo eficiência operacional, redução de custos e menor impacto ambiental. Esse tipo de projeto consiste na análise e controle das entradas e saídas de materiais em um determinado processo industrial, permitindo um acompanhamento preciso e detalhado de toda a movimentação de substâncias.
A elaboração de um projeto de balanço de massas industriais em mg é essencial para empresas dos mais diversos segmentos, desde mineração até indústrias químicas e alimentícias. Com a expertise de uma empresa como a COPEL Engenharia, especializada em projetos de engenharia industrial, é possível garantir a eficiência e segurança desses processos.
Vantagens de Investir em um projeto de balanço de massas industriais em mg
Os benefícios de implementar um projeto de balanço de massas industriais em mg são inúmeros. Primeiramente, a otimização dos processos produtivos, resultando em uma maior produtividade e menor desperdício de materiais. Além disso, a identificação de possíveis gargalos e oportunidades de melhoria contribui para a maximização dos recursos e a redução de custos operacionais.
Outro ponto relevante é a conformidade com as normas regulamentadoras vigentes, garantindo que a empresa opere dentro dos padrões estabelecidos pelos órgãos competentes. Isso não apenas evita multas e penalidades, mas também demonstra o comprometimento da organização com a sustentabilidade e a responsabilidade ambiental.
Soluções Especializadas da COPEL Engenharia em Projetos de Balanço de Massas Industriais em MG
A COPEL Engenharia se destaca no mercado pela excelência na execução de projeto de balanço de massas industriais em mg, incluindo o desenvolvimento de sistemas de pesagem precisos e eficientes para uso industrial, comercial ou laboratorial. Com uma equipe qualificada e experiente, a empresa oferece soluções customizadas, adequadas às necessidades específicas de cada cliente.
Nossos profissionais possuem amplo conhecimento técnico e estão sempre atualizados com as mais recentes tecnologias do mercado, garantindo a viabilização de projetos inovadores e de alta qualidade. Conte com a COPEL Engenharia para implementar um projeto de balanço de massas industriais em mg que potencialize a performance da sua indústria.
Entre em Contato Conosco e Conheça Mais sobre Nossos Serviços de projeto de balanço de massas industriais em mg
Se sua empresa está em busca de soluções eficientes e personalizadas em projetos de engenharia industrial, não hesite em contatar a COPEL Engenharia. Estamos prontos para atender suas demandas e contribuir para o sucesso do seu negócio. Invista em um projeto de balanço de massas industriais em mg e leve sua indústria a um novo patamar de excelência!
Para saber mais sobre Projeto de balanço de massas industriais em MG
Ligue para 31 3938-1700 ou clique aqui e entre em contato por email.